Regulator pentru adjustarea turatiei ventilatoarelor de distributie a aerului cald care poate fi montat atat aplicat cat si incastrat.
Regulatoarele manuale de viteza de rotatie mențin o viteza de rotație constanta, setata de utilizator. Starea lor de funcționare este indicat prin iluminare cu LED, care poate informa, printre altele, despre: ⋅ tipul dispozitivului controlat, ⋅ rotatiile scazute sau ridicate ale dispozitivului controlat, ⋅ defectarea dispozitivului controlat sau a controlerului insusi. Selecția tipului de dispozitiv controlat se face folosind doua comutatoare codate, situate pe spatele regulatorului.
curent maxim [mA]: 40
sarcina maxima de iesire R [mA]: 5
umiditate [%]: 0 - 80
CERINTE DE SIGURANTA
MONTAJ
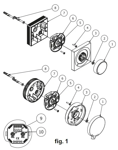
I Trageti butonul afara (fig.1 poz.1).
II Desurubati piulita (fig.1 poz.2) si indepartati panoul frontal (fig.1 poz.3).
III Desurubati cele doua suruburi (fig.1 poz.4) care fixeaza capacul sistemului electronic (fig.1 poz.6).
IV Montati carcasa pentru montaj aparent (fig.1 poz.7) cu doua dibluri de montare (fig.1 poz.8); sariti acest pas in cazul montajului incastrat.
V Conectati cablurile la controler conform informatiilor din sectiunea „CONECTARE” a acestui manual.
VI Plasati capacul sistemului electronic (fig.1 poz.6) in cutie (fig.1 poz.7) si insurubati cele doua suruburi (fig.1 poz.4).
VII Montati panoul frontal (fig.1 poz.3) si piulita (fig.1 poz.2).
VIII Rotiti potentiometrul (fig.1 poz.5) in pozitia extrema stanga.
IX Impingeti butonul (fig.1 poz.1) in potentiometru (fig.1 poz.5).
CONECTARE
Diagrama de conectare la regulator a dispozitivelor produse de DARCO ce functioneaza la 24V. Controlerul are un conector cu 4 pini (fig.1 poz.9) pentru a conecta cablul dispozitivului controlat. Conexiunea trebuie realizată cu ajutorul unui cablu cu 4 fire (tip sfoară) cu o secțiune transversală de 4 x 0,5 mm2. Figura 2 arată modul în care controlerul și dispozitivele controlate pot fi conectate.
PORNIRE SI FUNCȚIONARE
Inainte de a porni controlerul, este necesar sa selectati modelul de dispozitiv care va fi controlat. Selectarea se face cu ajutorul a doua comutatoare de codificare PK1 si PK2 (fig.1 poz.9), care trebuie setate conform informatiilor din tabelul Nr. 1. Lumina LED (fig.1 poz.1) confirma tipul dispozitivului ales (in secventa: culoare verde, rosu si galben).
ATENȚIE!
Setarea comutatoarelor de cod trebuie făcută când nu există tensiune. Configurarea incorectă a dispozitivului controlat poate cauza funcționarea sa necorespunzătoare sau chiar poate duce la deteriorarea acestuia.
Reglarea vitezei sau setarea tensiunii dispozitivului controlat se face manual, cu ajutorul unui buton (fig.1 poz.1). Rotirea acestuia complet spre stanga face ca controlerul sa intre in modul de asteptare. Controlerul este echipat cu un senzor de lumina curenta care poate ajusta intensitatea iluminarii butonului in functie de conditiile exterioare.

Regulator pentru adjustarea turatiei ventilatoarelor de distributie a aerului cald care poate fi montat atat aplicat cat si incastrat.
Regulatoarele manuale de viteza de rotatie mențin o viteza de rotație constanta, setata de utilizator. Starea lor de funcționare este indicat prin iluminare cu LED, care poate informa, printre altele, despre: ⋅ tipul dispozitivului controlat, ⋅ rotatiile scazute sau ridicate ale dispozitivului controlat, ⋅ defectarea dispozitivului controlat sau a controlerului insusi. Selecția tipului de dispozitiv controlat se face folosind doua comutatoare codate, situate pe spatele regulatorului.

